



Type W1 Elastomer Bellows Shaft Pump Seal Replaced John Crane Type 1
Replacement of Below Mechanical Seals
Burgmann MG901, John crane Type 1, AES P05U, Flowserve 51, Vulcan A5
Technical Features
Unbalanced
Single Spring
Bi-directional
Elastomer Bellows
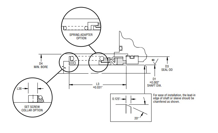
Set screw lock collars available
Designed Features
To absorb both breakout and running torque, the seal is designed with a drive band and drive notches that eliminate overstressing of bellows. Slippage is eliminated, protecting the shaft and sleeve from wear and scoring.
Automatic adjustment compensates for abnormal shaft-end play, run-out, primary ring wear and equipment tolerances. Uniform spring pressure compensates for axial and radial shaft movement.
Special balancing accommodates higher-pressure applications, greater operating speeds and lower wear.
Non-clogging, single-coil spring allows for greater dependability than multiple spring designs. Will not run foul due to fluid contact.
Low drive torque improves performance and reliability.
Recommended applications
Water and waste water technology
Petroleum chemical industry
Industrial pumps
Process pumps
Other Rotating Equipment
Operating range
Temperature: -40°C to 205°C/-40°F to 400°F (depending on materials used)
Pressure: 1: up to 29 bar g/425 psig 1B: up to 82 bar g/1200 psig
Speed: 20 M/S 4000 FPM
Standard size:12-100mm or 0.5-4.0 inch
Notes: The range of preesure,temperature and sliding velocity is depend on seals combination materials
Combination material
Rotary Face
Carbon graphite resin impregnated
Tungsten carbide
Silicon carbide (RBSIC)
Stationary Seat
Aluminium oxide(Ceramic)
Silicon carbide (RBSIC)
Tungsten carbide 1
Auxiliary Seal
Nitrile-Butadiene-Rubber (NBR)
Fluorocarbon-Rubber (Viton)
Ethylene-Propylene-Diene (EPDM)
Spring
Stainless Steel (SUS304, SUS316)
Metal Parts
Stainless Steel (SUS304, SUS316)
TYPE W1 Dimension Data Dheet (inches)