
W2 Multi-purpose Non-pusher Elastomer Bellows Seal
Features
• Fits equipment with confined space requirements and limited seal chamber depths in pumps, mixers, blenders, agitators, compressors and other rotary shaft equipment.
• To absorb both breakout and running torque, the seal is designed with a drive band and drive notches that eliminate overstressing of bellows. Slippage is eliminated, protecting the shaft and sleeve from wear and scoring.
• Automatic adjustment compensates for abnormal shaft-end play and run-out, primary ring wear and equipment tolerances. Axial and radial shaft movement is compensated for with uniform spring pressure.
• Special balancing allows for higher pressure applications, greater operating speeds and lower wear.
• Non-clogging, single-coil spring allows for greater dependability than multiple spring designs, and it will not run foul due to fluid contact.
Design features
• Mechanical drive – Eliminates overstressing of the elastomer bellows
• Self-aligning capability – Automatic adjustment compensates for abnormal shaft end play runout, primary ring wear and equipment tolerances
• Special balancing – Allows operation at higher pressures
• Non-clogging, single-coil spring – Not affected by buildup of solids
Recommended applications
Process pumps
For pulp and paper
food processing,
water and wastewater
refrigeration
chemical processing
other demanding application
Operating range
• Temperature: -40°C to 205°C/-40°F to 400°F (depending on materials used)
• Pressure: 2: up to 29 bar g/425 psig 2B: up to 83 bar g/1200 psig
• Speed: see enclosed speed limits chart
Combination material
ROTARY FACES: Carbon Graphite, Silicon Carbide, Tungsten Carbide
STATIONARY SEATS: Ceramic, Silicon Carbide, Tungsten Carbide, Stainless Steel
BELLOWS: Viton, EPDM, Neoprene
METAL PARTS: 304 SS standard or 316 SS option available
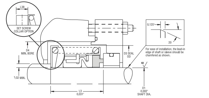
W2 Data Sheet of Dimension(inches)
Packing & Delivery
We usually deliver the goods by express like DHL, Fedex, TNT, UPS, but we can also ship the goods by air or by sea if the goods weight and volume is big.
For the packing, we pack each seal with plastic film and then in plain white box or brown box. And then in strong carton.